



400 6626 286
產品描述
MX-YL-188-05差壓壓力變送器是為流體工業應用所設計,可以測量液體、蒸汽和氣體的壓力。采用全球領先高精度單晶硅硅技術,保證傳感器的高穩定性和高可靠性。
本是一款外部供電、具有遠傳通訊功能的高精度智能變送器。應用領域是針對野外,露天場所等惡劣環境,如輸油,輸汽,供暖等輸送能源管道等地方進行壓力監測,實現信號有線遠傳,同時又加配HART協議,可以配合手操器使用,能夠完美和國際儀表通用。配合無線通訊接收模塊使用,上位機可直接使用組態實時監測采集數據,現場又帶有高清LCD液晶顯示,可以有效使工作人員直觀觀察到液位高度,并且可以根據被測介質密度的不同,隨時更改測量范圍和標定系數。
應用領域
?液位測量與控制樓宇自控、恒壓供水
?石化、環保、石油
?液壓及氣動控制系統
?制藥,食品行業
?自動控制和檢測系統
?實驗或測試設備液壓領域
?MVR蒸發器,多效蒸發器設備
產品特點
?采用世界先進的隔離技術,具有超強的抗干擾性能
?采用全球領先高精度硅技術,獨特的雙過載保護膜片設計,單向過壓最高可達60MPa
?高精度,精度優于0.1% 精度高達0.05%
?高穩定性和高可靠性
?完善的自診斷及遠程通訊功能
?可選擇HART協議或RS485通訊協議
?防護等級高,具有防塵,防水,可以很好的在露天場所使用
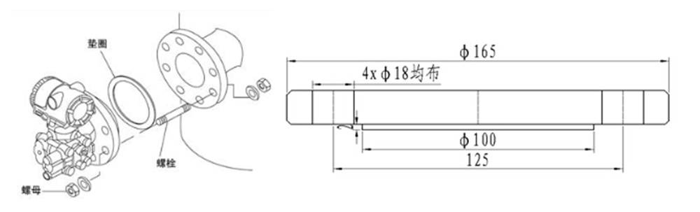
產品外形
圖1 法蘭式液位變送器安裝實例 圖2(DN50法蘭 國標)
常規法蘭尺寸表(mm)
| 法蘭尺寸 | 螺孔 | ||||||
| 尺寸 | 外徑D | 厚度A | B | C | 孔數n | 孔徑d | 分布直徑D1 |
| DN25 | φ115 | 16 | 49.5 | 62 | 4 | φ14 | φ85 |
| DN50 | φ165 | 20 | 65 | 95 | 8 | φ18 | φ125 |
| DN80 | φ200 | 20 | 89 | 127 | 8 | φ18 | φ160 |
遠傳法蘭隔膜密封部位的安裝
選型參數
| 單法蘭液位變送器CY-YL-188-05(帶液晶顯示) | ||||||||||||||||||||||
| 10 | 輸出 | |||||||||||||||||||||
| H | 4-20mA帶HART通訊 | |||||||||||||||||||||
| N | 4-20mA輸出 | |||||||||||||||||||||
| 20 | 量程 | |||||||||||||||||||||
| D | 量程可以直接表達到選型上面 | |||||||||||||||||||||
| 30 | 膜片材質 填充液 | |||||||||||||||||||||
| A | 不銹鋼316L | 硅油 | ||||||||||||||||||||
| B | 鈦膜片 | 硅油 | ||||||||||||||||||||
| C | 哈氏合金C | 硅油 | ||||||||||||||||||||
| D | 鉭膜片 | 硅油 | ||||||||||||||||||||
| 40 | 工作壓力 | |||||||||||||||||||||
| A | 1MPA | |||||||||||||||||||||
| B | 1.6MPa | |||||||||||||||||||||
| C | 25MPa | |||||||||||||||||||||
| D | 40MPa | |||||||||||||||||||||
| 50 | 過程連接 | |||||||||||||||||||||
| A | DN25 | |||||||||||||||||||||
| B | DN32 | |||||||||||||||||||||
| C | DN50 | |||||||||||||||||||||
| D | DN80 | |||||||||||||||||||||
| 60 | 密封材質 | |||||||||||||||||||||
| N | 丁腈橡膠(NBR) | |||||||||||||||||||||
| F | 氟橡膠(FKM) | |||||||||||||||||||||
| P | 聚四氟乙烯(PTFE) | |||||||||||||||||||||
| 70 | 其他 | |||||||||||||||||||||
| N | 無 | |||||||||||||||||||||
| 80 | 安裝 支架 | |||||||||||||||||||||
| N | 無 | |||||||||||||||||||||
| 1 | 不銹鋼 | |||||||||||||||||||||
| 2 | 鍍鋅碳鋼 | |||||||||||||||||||||
| 90 | 電氣連接附件 | |||||||||||||||||||||
| N | G/2 | 外 | 螺 | 紋 | ||||||||||||||||||
| A | 1/2 英寸NPT內螺紋不銹鋼橢圓形法蘭 | |||||||||||||||||||||
| B | M20x1.5 外螺紋不銹鋼 | |||||||||||||||||||||
訂購指南
| 型號 | 輸出 | 量程 | 膜片材質 | 過程連接 | 電氣連接 | 其它要求 |
| MX-YW-188-05 | 4-20MA+HART | 0-5KPA | 316L | DN50 | 1/2NPT | |
| 訂貨舉例: | MX-YW-188-05-10H-30A-50C-90A | |||||
按鍵功能
本產品采用進口的單晶硅芯體,清零功能方面。在無壓力的情況下,按M鍵5秒鐘,顯示屏左下面出現ZIRM字母時松手,然后連續按Z鍵三次,出現PV=0時,再連續按M鍵3次,顯示屏左下方沒有字母時候已經清零完畢。
特別提醒
公司名稱:上海美續測控技術有限公司
辦公地址:上海市松江區三新北路1800弄國家電子商務園24號樓3層
工廠地址:上海松江區光華路650號
聯系電話:021-67881626
公司網址:www.0025sf.cn 、詳細說明請參照使用說明