

400 6626 286
產品描述
MX-YL-188-03智能型差壓變送器是為流體工業應用所設計,可以測量蒸汽和氣體的壓力和差壓。采用全球領先高精度硅技術,保證傳感器的高穩定性和高可靠性。
本是一款外部供電、具有遠傳通訊功能的高精度智能變送器。應用領域是針對野外,露天場所等惡劣環境,如輸油,輸汽,供暖等輸送能源管道等地方進行壓力監測,實現信號有線遠傳。配合無線通訊接收模塊使用,上位機可直接使用組態實時監測采集數據。
另外本款產品也可以電池供電、具有無線通訊功能的高精度智能變送器。應用領域是針對野外或配套供電環境不便的場合,如輸油,輸汽,供暖等輸送能源管道等地方進行壓力監測,實現信號無線遠傳。配合無線通訊接收模塊使用,上位機可直接使用組態實時監測采集數據?,F場又帶有高清LCD液晶顯示,可以比較直觀的觀測被測氣體壓力和差壓,同時又加配HART協議,可以配合手操器使用,能夠完美和國際儀表通用。

產品特點
?采用世界先進的隔離技術,具有超強的抗干擾性能
?電池供電使用時間長
?高精度、精度優于0.1% 、最高精度高達0.05%
?高穩定性和高可靠性、可以檢測較小的氣體差壓,最小100PA以內
?完善的自診斷及遠程通訊功能
?可選擇HART協議或rs485通訊協議
?采用全球領先高精度硅技術,獨特的雙過載保護膜片設計,單向過壓最高可達60MPa
應用領域
?液位測量與控制樓宇自控、恒壓供水
?石化、環保、石油
?制藥、食品行業
?自動控制和檢測系統
?實驗或測試設備液壓領域及氣動控制系統
?MVR蒸發器,多效蒸發器設備
?多用于氣密性氣體檢測上面
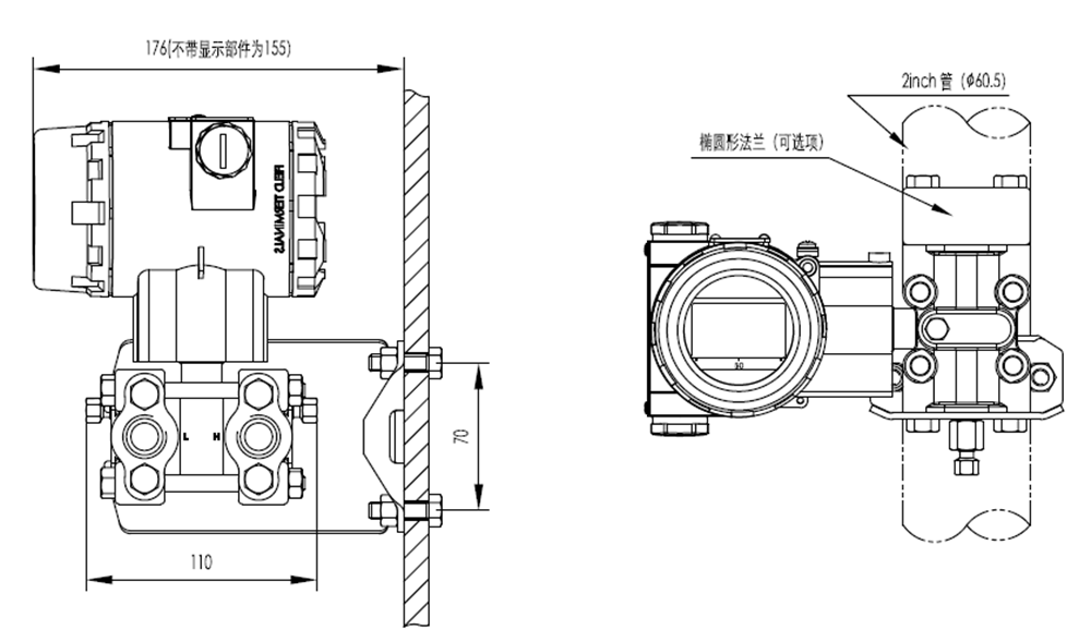
安裝示意
水平配管連接方式(側面) 水平配管連接方式(正面)
墻裝連接方式 垂直配管連接方式
技術規格
| 差壓變送器選型 (MX-YL-188-03(帶液晶顯示) | ||||||||||||||||||||||
| 10 | 輸出 | |||||||||||||||||||||
| H | 4-20mA帶HART通訊 | |||||||||||||||||||||
| N | 4-20mA模擬量輸出 | |||||||||||||||||||||
| W | 無線輸出(頻率430-470HZ) | |||||||||||||||||||||
| W1 | RS485(MOOBUS)協議,3.6VCD電池供電 | |||||||||||||||||||||
| W2 | RS485(MOOBUS)協議,9-30VCD電池供電 | |||||||||||||||||||||
| 20 | 量程 | |||||||||||||||||||||
| A | 0-100Pa~1kPa(0-10~100 mmH2O)/(0-1~10mbar) | |||||||||||||||||||||
| B | 0-200Pa~6kPa(0-20~600 mmH2O)/(0-2~60mbar) | |||||||||||||||||||||
| C | 0-400Pa~40kPa(0-40~4000 mmH2O) | |||||||||||||||||||||
| D | 0-2.5kPa~250kPa(0-0.25~25 mH2O)/(0-25~2500mbar) | |||||||||||||||||||||
| E | 0-20kPa~2MPa(0-2~200 mH2O) | |||||||||||||||||||||
| 30 | 膜片材質 (此項不用選) | |||||||||||||||||||||
| A | 不銹鋼316L | 硅油 | ||||||||||||||||||||
| B | 鉭膜片 | 硅油 | ||||||||||||||||||||
| C | 哈氏合金C | 硅油 | ||||||||||||||||||||
| 40 | 工作壓力 | |||||||||||||||||||||
| A | 1MPA | |||||||||||||||||||||
| B | 16MPa | |||||||||||||||||||||
| C | 25MPa | |||||||||||||||||||||
| D | 40MPa | |||||||||||||||||||||
| 50 | 過程連接 | |||||||||||||||||||||
| A | 1/4英寸NPT及7/16英寸UNF螺紋孔 | 無泄放閥 | ||||||||||||||||||||
| B | 1/4英寸NPT及7/16英寸UNF螺紋孔 | 泄放閥裝于法蘭后部 | ||||||||||||||||||||
| C | 1/4英寸NPT及7/16英寸UNF螺紋孔 | 泄放閥法蘭側面上部 | ||||||||||||||||||||
| D | 1/4英寸NPT及7/16英寸UNF螺紋孔 | 泄放閥法蘭側面下部 | ||||||||||||||||||||
| 60 | 密封材質 | |||||||||||||||||||||
| N | 丁腈橡膠(NBR) | |||||||||||||||||||||
| P | 聚四氟乙烯(PTFE) | |||||||||||||||||||||
| 70 | 特殊功能 | |||||||||||||||||||||
| N | 無 | |||||||||||||||||||||
| 80 | 安裝支架 | |||||||||||||||||||||
| N | 無 | |||||||||||||||||||||
| 1 | 鋼 | |||||||||||||||||||||
| 2 | 鍍鋅碳鋼 | |||||||||||||||||||||
| 90 | 電氣連接 | |||||||||||||||||||||
| N | 無 | |||||||||||||||||||||
| A | 1/2 英寸NPT內螺紋不銹鋼橢圓形法蘭 | |||||||||||||||||||||
| B | M20x1.5 外螺紋不銹鋼接頭 | |||||||||||||||||||||
訂購指南
| 型號 | 輸出 | 量程 | 過程連接 | 電氣連接 | 接液材質 | 其它要求 |
| MX-YL-188-03 | 4-20MA+HART | 0-5KPA | 1/4NPT | 1/2NPT | 無 | |
| 訂貨舉例: | MX-YL-188-03-10H-20A-50A-90A | |||||
特別提醒
本產品采用進口的單晶硅芯體,清零功能方面。在無壓力的情況下,按M鍵5秒鐘,顯示屏左下面出現ZIRM字母時松手,然后連續按Z鍵三次,出現PV=0時,再連續按M鍵3次,顯示屏左下方沒有字母時候已經清零完畢。
公司名稱:上海美續測控技術有限公司
辦公地址:上海市松江區三新北路1800弄國家電子商務園24號樓3層
工廠地址:上海松江區光華路650號
聯系電話:021-67881626
公司網址:www.0025sf.cn 、詳細說明請參照使用說明