



400 6626 286
產品描述
ACK-RT-04系列高精度高溫熔體壓力傳感器/變送器,是我公司針對目前高端塑料,化纖行業一直用美國和意大利產品的窘態,研發的一款完全可以替代同類進口的美國產品和意大利產品。純不銹鋼的外殼加上抗干擾能力強的電路,又在鋼性桿的基礎上加裝了柔性桿遠傳功能,使其在高溫領域惡劣的環境下更具有良好的安裝環境,目前已經在市場上占有了很大的占有率,并且一直是塑料,化纖行業高端熔體壓力傳感器的代表。其中加裝了測溫熱電偶,可實現壓力溫度同點測量。不但可以實現放大信號直接進PLC控制系統,同時又可MV信號進入我司二次儀表,實現簡單的自動化控制。內部80%校準信號,安裝簡單,性價比高。廣泛應用于化纖,塑料擠出行業高溫壓力的監測。

應用領域
?化纖拉絲設備
?醫藥、食品加工、包裝設備
?板材擠出機、型材擠出機
?造粒回收機等
?其它高溫流體的壓力測量和控制
?塑料橡膠制造設備
產品特點
?內部80%校準信號
?良好的穩定性和重復性
?15-5PH膜片材質
?最高耐溫350℃
?可以替代同等美國進口產品
?高精度、高穩定性
?同時在進口型的基礎上我們還有經濟型的產品
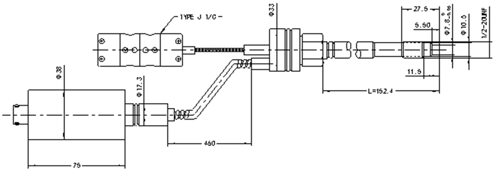
外形尺寸
圖1單功能常規外形圖紙
圖2溫壓雙功能常規外形圖紙
技術規格
| 型號選擇: | ACK-RT-04(單功能);ACK-RT-04(溫壓雙測型) |
| 壓力量程: | 0-2MPA(此量程請選擇大螺紋);0-20MPA 0-50MPA 0-100MPA 0-150MPA (量程可約定) |
| 綜合精度: | 0.25%FS(代號A);0.5%FS(代號B) |
| 過載壓力: | 1.5倍額定壓力 |
| 輸出信號: | 傳感器信號:3.33MV/V (代碼1);變送器輸出信號4-20mA(兩線制代碼2); 0-10V(代碼3);0-5V(三線制代碼4); 4-20mA+HART(代碼5);RS485(代碼6). |
| 爆破壓力: | 3倍額定壓力 |
| 供電電壓: | 變送器24VDC(12-36V);傳感器10VDC(9~12V) |
| 工作溫度: | -20℃~400度 |
| 補償溫度: | 0℃~300° |
| 非線性值: | 滿量程的0.2% |
| 膜片材料: | 15-5PH 帶涂層的不銹鋼 ;特殊膜片材質(請和選型工程師溝通) |
| 內部校準 | 80%FS±1% |
| 硬桿長度: | 硬桿長度:S:6″(英寸)(152mm),9″(230mm),12″(305mm) |
| 軟管長度:N:18″(460mm);30″(762mm);1英寸=25.5MM | |
| 壓力連接: | 1/2″-20UNF, M14×1.5, M18×1.5, M22×1.5,G3/4(可按客戶要求) |
| 電氣連接: | 六芯航空插件(C);格蘭出線(代號D) |
| 選分度號: | PT100,J型,K型,E型, |
| 外殼材質: | 默認不銹鋼外殼 /緣阻抗:200MΩ @ 100 Vdc |
參數說明
訂購指南
| 型號 | 量程(bar) | 精度 | 輸出信號 | 桿長/軟管 | 安裝螺紋 | 電氣連接 | 分度號 |
| ACK-RT-04T | 50MPA | 0.5%S | 4-20MA | 6=152MM/460MM | M14*1.5 | 6芯插件 | PT100 |
| 訂貨舉例 | ACK-RT-04T-50MPA-B2-6/18-M14-C-P | ||||||
特別提醒
如有不懂選型請咨詢銷售工程師,或者當地經銷商。
公司名稱:上海美續測控技術有限公司
辦公地址:上海市松江區三新北路1800弄國家電子商務園24號樓3層
工廠地址:上海松江區光華路650號
聯系電話:021-67881626
公司網址:www.0025sf.cn 、詳細說明請參照使用說明