

400 6626 286
1產品描述:
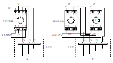
電極式液位開關MX-WW-144-11原理簡單:利用探桿與探桿之間導通引起的繼電器變化從而起到測量控制效果。如圖1所示,在液位低于電極棒電極E3時,液面控制器通電后WATER-SUPPLY指示燈亮,NO—COM接點導通,NC—COM接點斷開,當液位上升到E1時,drainage指示燈亮,NO—COM接點斷開,NC—COM接點導通;液位由E1向下下降后,當液位下降到低于E2時,drainage指示燈滅,NO—COM接點導通,NC—COM接點斷開。此時完成一個控制循環
2應用領域:
?液位測量與控制樓宇自控、恒壓供水
?石化、環保、石油
?液壓及氣動控制系統
?制藥、食品行業
?自動控制和檢測系統
?液體灌、污水池、油池
?廢水處理設備母液罐
3產品特點:
? 適用于控制任何導電液體的液面(禁止使用于揮發性液體)
? 具有突波保護裝置,可有效防止突波干擾
? 電極頭使用低交流電壓,可避免電解作用,并可延長壽命
? 具有兩個指示燈,可指示供水及排水狀態
? 可做多點控制,控制位置可由使用者需要訂制
? 整體性能可靠、有SUS304、SUS316L、鈦合金等材質可供選擇。

4原理示意:
5技術規格:
型號說明: | MX-WW-144-011 |
量程范圍: | 0-5000MM以內可以選擇 |
觸點容量: | 250VAC;5A 電阻型負載 |
供電電源: | 220VAC(E1代碼) |
輸出信號: | 開關繼電器信號:常開和常閉(代碼C0) |
控制點位: | 1-5個報警點控制(1個報警點就是L1), |
工作壽命: | 機械5000000次,電氣100000次(額定容量內) |
工作壓力: | 1.0~3.0MPa |
工作溫度: | SUS:-10~80℃ |
測量介質: | 液體 |
產品材質: | SUS304(30A)/SUS316(30B)/,2205材質(30B2)/鈦合金探桿(30C) |
安裝方式: | 常規法蘭DN25,DN50(PN10)連接,其他安裝:卡盤連接:外徑64mm, |
防爆等級: | ExiaⅡCT6 |
6訂購指南:
型號 | 量程(米) | 供電 | 輸出信號 | 報警點 | 安裝方式 | 探桿材質 |
MX-WW-144-11 | 1米 | 220VAC | 開關量 | 2個 | DN50 | 316L |
訂貨舉例: MX-WW-144-11-1M-E1-C0-L2-DN50-30B | ||||||
7.特別提醒:
如有不懂選型請咨詢銷售工程師,或者當地經銷商。
公司名稱:上海美續測控技術有限公司
辦公地址:上海松江區小昆山鎮國家經濟開發區中德路 860 號 6 幢
聯系電話:021-67881626
公司網址:www.0025sf.cn 、詳細說明請參照使用說明