



400 6626 286
1.產品描述:
電容式物/液位計MX-WW-144-08是基于射頻電容測量原理,采用斷層掃描技術,動態分析傳感器在介質中各種參數,自動進行精確補償,輸出信號隨液位高度改變呈線性連續變化。
電容式式智能液位計是一種可以用于液體、油類、固體、界面和測量的液位(物位)變送器。無可動部件,可靠性大大提高,它不受水蒸汽,灰塵或冷凝的影響,具有長期運行穩定可靠,靈敏度高,線性度好,耐高溫、耐高壓等優點。智能液位計為兩線制(回路供電)4~20mA DC測量信號,易于調校,無線傳輸,RS485傳輸等。可廣泛用于石油、化工、冶金、電力、造紙、制藥等各個領域。
智能液位計作為本質安全型產品符合GB3836.1-2010《爆炸性氣體環境用電氣設備第1部分:通用要求》和GB3836.4-2010《爆炸性氣體環境用電氣設備第4部分:本質安全型“i”》的有關要求,防爆標志為:ExibIICT6 Ga。目前該技術在國內獨一無二,處于國際領先水平。

2.應用領域:
?冶金、機械、環保
?技術性能醫療、真空設備、萃取設備
?石化管道測壓
?自控系統和測試系統
?海水談化、水處理
?特別適用于酸、堿等強腐蝕性液體的測量
3.產品特點:
?防腐、防潮、防結露、防滲漏功能
?螺紋安裝插入和法蘭安裝插入式
?可現場顯示、現場調校精度高,穩定性好
?適用于高溫高壓容器的物位測量、且測量值不受被測液體的溫度、比重及容器的形狀、壓力影響
?多種標準信號輸出選擇、用戶調試方便
?完善的過流、過壓、電源極性保護
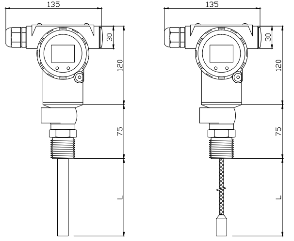
4.安裝方法:

5.選型技術規格:
型號說明: | MX-WW-144-08(普通型);MX-WW-144-08(高溫型) |
量程選擇: | 0~0.1M~10M~30M |
綜合精度: | ±0.1%(代號S);±0.25%(代號A);±0.5%(代號B) 默認0.5級 |
承壓范圍: | -0.1MPa~32MPa |
工作溫度: | 探極耐溫: -50~250℃;環境溫度: -40~85℃ |
探極直徑: | Φ16/特殊要求可定做 |
輸出信號: | 4-20mA(兩線制代碼2),4-20MA+HART(代碼3);4-20MA+RS485(三線制代碼4); |
供電電壓: | DC 12V(E1) ;DC 24V(E2) 默認24VDC |
探桿材料: | 316L不銹鋼(代號30A)、聚四氟乙烯(代號30D) |
防爆等級: | 隔爆ExdⅡCT6Gb |
電氣連接: | M20*1.5電氣接口 |
安裝方式 | 螺紋安裝M20、G1/2、G1等螺紋可選;法蘭連接DN25、DN32、DN50等法蘭可選 |
防護等級: | IP67 |
注意:精確度等級測量均為實驗室靜態試驗結果,實際精度請以實際安裝環境為準。

6.選型指南:
型號 | 量程(MM) | 輸出信號 | 安裝方式 | 供電 | 探桿材質 |
MX-WW-144-08 | 500MM | 4-20MA | G1外螺紋 | 24VDC | 聚四氟乙烯 |
訂貨舉例:MX -WW-144-08-500MM-B2-30D-G1 | |||||
如有不懂選型請咨詢銷售工程師,或者當地經銷商。
公司名稱:上海美續測控技術有限公司
辦公地址:上海松江區小昆山鎮國家經濟開發區中德路 860 號 6 幢
聯系電話:021-67881626
公司網址:www.0025sf.cn 、詳細說明請參照使用說明