


400 6626 286
上海美續土倉壓力變送器MX-DG-888-05系列主要用與工程機械檢測土倉、罐體內介質壓力,傳感器測壓前端采用特殊處理的堅固膜片,特殊金屬和獨特的緊湊的工此款產品結構緊湊、耐腐蝕,抗震動、抗微粒沖擊、寬范圍溫度補償,優秀的性能使其廣泛應用于地鐵盾構機、工程機械等領域。
?工業自動化應用領域
?地鐵盾構機領域
?工程機械應用方面-頂管機行業
?石油化工機械
?裝載機械、挖沙機
?環境治理/污水處理
?填海造路/泥漿監測
?0….100bar寬壓力范圍可以選擇
?進口耐高溫敏感元件
?激光冷焊工藝、純不銹鋼結構
?精度高,免調校。
?微型放大器,電壓、電流信號輸出
?抗干擾強、長期穩定性好
?抗振動、抗沖擊/耐沙粒沖擊
?寬范圍的溫度補償
| 量程范圍: | 0~50BAR~100BAR(量程可以約定); |
| 綜合精度: | 0.25%FS(代號A);0.5%FS (代號B); |
| 輸出信號: | MV/V信號輸出(代號1);4-20mA(兩線制代碼2);0-10V(代碼3);0-5V(三線制代碼4) |
| 供電電壓: | 3-15VDC(MV/V輸出用);24(12~36)VDC (放大信號) |
| 工作溫度: | -20~80℃ |
| 補償溫度: | -10~70℃ |
| 過載壓力: | 1.5倍額定壓力 |
| 響應時間: | ≤1ms(上升到90%FS) |
| 本體材質: | 316L不銹鋼材質 |
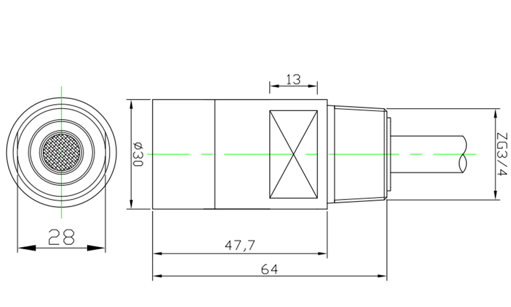
| 電氣連接: | G3/4防水格蘭出線;防護等級IP66 |
| 壓力連接: | 法蘭固定 |
| 型號 | 量程(bar) | 精度 | 輸出信號 | 連接接口 | 電氣連接 | 出線長度 |
| MX-DG-888-05 | 10 | 0.25 | 4-20MA | 法蘭固定 | 防水格蘭出線 | 2米 |
| 訂貨舉例: MX-DG-888-05-10Bar-A2-2M | ||||||
如有不懂選型請咨詢銷售工程師,或者當地經銷商。
公司名稱:上海美續測控技術有限公司
公司地址:上海市松江區三新北路1800弄國家電子商務園24號樓3層
聯系電話:021-67881626
公司網址:www.0025sf.cn 、詳細說明請參照使用說明