



400 6626 286
產品描述
上海美續隔膜壓力變送器MX-DG-888-02系列是我司針對工程機械,環保治理行業較為復雜的工作環境所開發的產品:常規的工業壓力變送器是引壓孔形式的,不能有效測量含有雜質的液體和氣體,而上海美續MX-DG-888-02系列是采取的隔離膜片形式,可以測量泥漿,粘稠度介質,微小顆粒介質,可以有效的應對很多復雜的工況,目前自控化程度越來越高,此款產品結構緊湊、耐腐蝕,抗震動、抗微粒沖擊、寬范圍溫度補償。特別適用于高粘稠物或有微粒的流體壓力測量。在工業自動化點膠機、盾構機、食品行業、軍工領域均有廣泛的應用。
應用領域
?工業自動化應用領域
?點膠機、涂膠機方面
?工程機械應用方面-盾構機-頂管機行業
?醫療衛生應用/食品及飲料加工行業
?實驗或測試設備
?環境治理/污水處理
?填海造路/石油化工
產品特點
?0….1bar至0….1000bar寬壓力范圍可以選擇
?進口耐高溫敏感元件
?激光冷焊工藝、散熱片裝置
?精度高,免調校,高精度、全不銹鋼結構
?微型放大器,電壓、電流信號輸出
?抗干擾強、長期穩定性好
?波紋型隔離膜片,使用壽命更長
?量程范圍寬,可測量絕壓、表壓和密封參考壓力
?抗振動、抗沖擊/耐沙粒沖擊
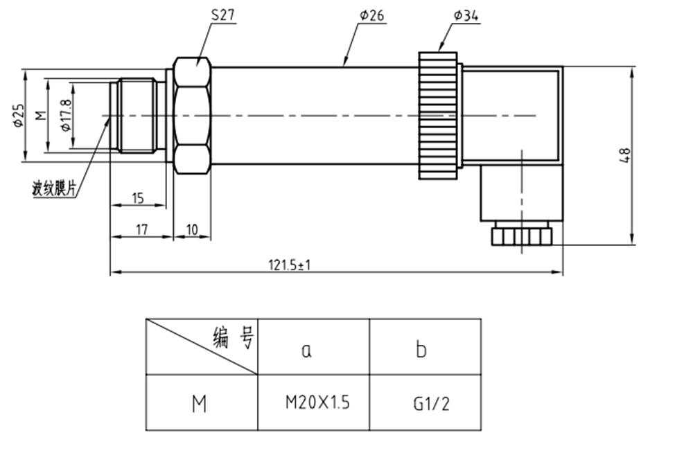
外形尺寸
技術規格
| 量程范圍: | -100KPA-0,0-0.6MPA ,0-10MPA ,0-100MPA(量程可以約定) |
| 綜合精度: | 0.25%FS(代號A);0.5%FS (代號B); |
| 非線性值: | 滿量程的0.2% |
| 可靠性值: | 滿量程的0.05% |
| 輸出信號: | 4-20mA(兩線制代碼2);0-10V(代碼3);0-5V(三線制代碼4) 4-20mA+HART(代碼5);RS485(代碼6) |
| 供電電壓: | 24(12~36)VDC (放大信號) |
| 工作溫度: | -20~80℃ 超過80°需要特殊定做 |
| 補償溫度: | -10~70℃ |
| 過載壓力: | 1.5倍額定壓力 |
| 響應時間: | ≤1ms(上升到90%FS) |
| 本體材質: | 接液材質316L,外殼材質為不銹鋼或硬制鋁 |
| 防護等級: 電氣連接: | (代號D1)赫斯曼(DIN43650),外殼防護IP65;防水格蘭,外殼防護IP68(代號D2);航空插件,外殼防護IP45(代號D3); |
| 壓力連接: | G1/2, 1/2NPT,M20,M22等(可按客戶要求定制) |
接線方式

訂購指南
| 型號 | 量程(bar) | 精度 | 輸出信號 | 螺紋接口 | 電氣連接 | 其它要求 |
| MX-DG-888-02 | 50 | 0.25 | 4-20MA | G1/2 | 赫斯曼 | --- |
| 訂貨舉例: MX-DG-888-02-50Bar-A2-G1/2-D1 | ||||||
特別提醒
如有不懂選型請咨詢銷售工程師,或者當地經銷商。
公司名稱:上海美續測控技術有限公司
公司地址:上海市松江區三新北路1800弄國家電子商務園24號樓3層
聯系電話:021-67881626
公司網址:www.0025sf.cn 、詳細說明請參照使用說明