



400 6626 286
1.產品描述 :
MX-YL-15系列擴散硅式防爆數顯電子壓力開關是選用高精度、高可靠性壓力傳感器組件。經過高可靠性的放大電路及精密溫度補償。精堪的封裝技術及完善得裝配工藝確保了該產品的質量和性能。極大地滿足客戶的需要,適用于各種工業過程測量與控制。
MX-YL-15系列帶4位數碼管現場顯示是采用具有世界先進水平的電子硅片技術,測量元件內無介質液體。具有抗過載、抗沖擊能力強、線性好、長期穩定性高、溫度范圍寬、耐腐蝕等特點。使用于液壓,軍工、科研、航天、石油、化工、電力、海洋等領

2.應用領域:
?機械自動化應用方面
?各種水壓、氣壓的測量
?醫療衛生應用
?食品及飲料加工行業
?一般工業控制領域
?純化水制備、注射用水、純蒸汽制備系統
3.產品特點:
?采用高精度壓力傳感器和先進的信號處理技術,測量精度高遲滯小。?采用LED數碼管顯示當前壓力值,清晰直觀,便于讀取。?開關量可在零點到滿度之間任意設定。?具有良好的抗干擾能力,可在惡劣的環境下穩定工作。?按鍵調校及現場設置各種參數,操作方便。?2路開關量輸出,帶載能力3.7A(PNP)/1.2A(NPN)?能夠快速響應壓力的變化,及時輸出相應的信號。
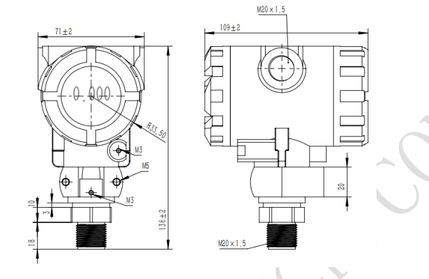
4.外形尺寸:

5.技術規格:
型號說明 | MX-YL-15系列產品 |
量程范圍: | -0.1~0.1MPa~10MPa-100MPA |
綜合精度: | 0.25%FS(代碼A);0.5%FS(代碼B/默認精度) |
非線性值: | 滿量程的0.2%;響應時間:<4ms;開關壽命:>100萬次;最流消耗:<60mA |
開關類型: | PNP;NPN; 負載容量:24V-3.7A/1.2A |
輸出信號: | 4-20mA(代碼1);4-20mA+PNP開關信號(代碼);4-20MA+NPN開關信號(代碼) |
供電電壓: | 24(12~36)VDC (放大信號)(代碼E2) |
工作溫度: | -25~80℃ |
補償溫度: | -20~80℃ |
耐震情況: | 10g/0~500Hz |
介質材料: | 304(代碼30A)316L(代碼30B)、 可約定 |
電氣連接: | M20×1.5 |
壓力連接: | G1/4, G1/2, 1/2NPT, 1/4NPT, M20*1.5等(可按客戶要求定制) |
6.訂購指南:
型號 | 量程 | 輸出信號 | 電氣連接 | 螺紋連接 | 其它要求 |
MX-YL-15 | 40MPA | 4-20MA+PNP | M20×1.5 | G1/4 | --- |
訂貨舉例:MX-YL-15-40MPA-A3-M20-G1/4 | |||||
7.特別提醒:
如有不懂選型請咨詢銷售工程師,或者當地經銷商。
公司名稱:上海美續測控技術有限公司
辦公地址:上海市松江區三新北路1800弄國家電子商務園24號樓3層
工廠地址:上海松江區光華路650號
聯系電話:021-67881626 集團電話:400-6626-286
公司網址:www.0025sf.cn 、詳細說明請參照使用說明